DZs-2 | выключатель за зеркало на касание (200-240V/300W)
Категории: За зеркало, На касание
Обзор
Cенсорный выключатель для зеркал DZs-2
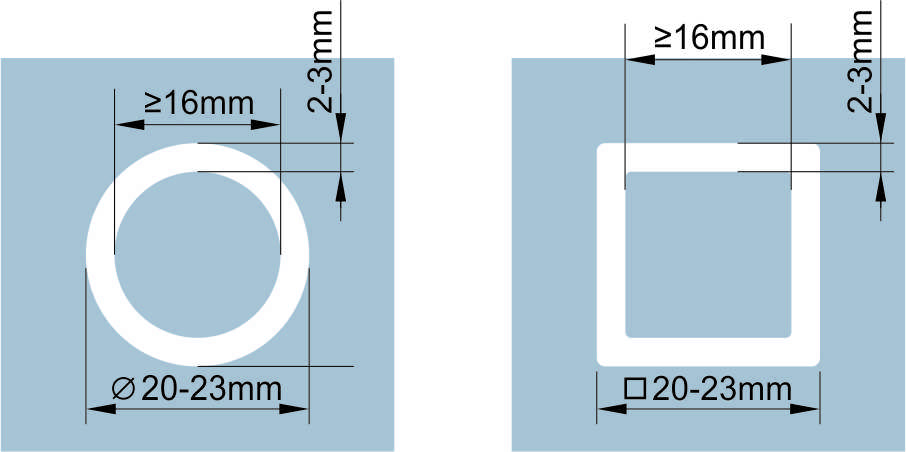
Устанавливается на заднюю поверхность зеркал, предназначен для включения и выключения осветительных устройств, сопряженных с зеркалом, путем касания пальцем поверхности зеркала в зоне со снятой амальгамой. В качестве осветительных устройств могут быть светильники с сетевыми лампами накаливания, низковольтными (12В) галогенными лампами накаливания с электронными трансформаторами, светодиодными источниками света с LED-драйверами, люминесцентными лампами и др. Для установки необходимо снять амальгаму с задней поверхности зеркала на месте установки сенсора, придерживаясь размеров (см. рис.).
Не касайтесь кнопки включения в течении первых 30-40 секунд, после подачи напряжения. Это связано с тем, что микросхема сенсорного выключателя имеет функцию автоматической калибровки и требуется некоторое время для настройки прибора.
Обратите внимание на то, что емкостные датчики очень чувствительны к конструктиву источника питания. Перед покупкой обязательно проконсультируйтесь с нашим менеджером! Менеджер подберет Вам источник питания, который гарантированно будет совместим с выбранным Вами датчиком.
Неправильный выбор источника питания чреват выходом из строя датчика (это негарантийный случай).
Выключатель за зеркало DZs-2 рассчитан на работу в электрической сети с качеством электроэнергии соответствующим ГОСТ 13109-97, и нагрузкой (в том числе импульсными блоками питания низкого напряжения), соответствующими Техническому регламенту Таможенного Союза ТР ТС 020/2011 и Постановлению Правительства РФ от 20 июля 2011 г. N 602, о чем имеют соответствующий сертификат.
Одним из основных факторов, приводящим к выходу из строя выключатель – несоответствие характеристик блоков питания стандартам РФ, а именно высокие пусковые токи и уровень помех, поэтому выключатели за зеркало DZs-2 можно использовать только с Источниками Питания имеющим Активный Корректор Мощности (Активный PF корректор).
Мы рекомендуем линейку таких Источников Питания, к ним относятся следующие модели:
| Код | Модель | Мощность | IP | Габариты (ДхШхВ) | Power Factor |
| G10511 | 06.112.42.030 | 30W | IP20 | 150 × 40 × 30 мм | 0,98 |
| G12812 | 06.112.12.036 | 36W | IP20 | 165 × 47 × 36 мм | 0,98 |
| G13706 | 06.122.49.030 | 30W | IP20 | 184 × 46 × 18 мм | 0,98 |
| G13707 | 06.122.50.040 | 40W | IP20 | 160 × 58 × 18 мм | 0,98 |
| G13936 | 06.122.57.015 | 15W | IP20 | 121 × 45 × 16 мм | 0,83 |
| G13965 | 06.162.55.060.44 | 60W | IP44 | 224 × 49 × 20 мм | 0,98 |
| G14497 | 06.122.64.040 | 40W | IP20 | 152 × 57 × 15 мм | 0.99 |
| G17062 | 06.132.03.030 | 30W | IP20 | 172,0х57,0х15,5мм | 0,97 |
| G17063 | 06.132.04.040 | 40W | IP20 | 172,0х57,0х15,5мм | 0,98 |
Установка
Для более стабильной работы сенсорного выключателя, к которому подключается источник питания для LED-светильников, настоятельно рекомендуем располагать источник питания и сетевой провод так, как указано на рис.1. Блок питания и проводка 220В, расположенные близко к области сенсора на выключателе, могут привести к ложным срабатываниям.
Обратите внимание на то, что емкостные датчики очень чувствительны к конструктиву источника питания. Перед покупкой обязательно проконсультируйтесь с нашим менеджером! Менеджер подберет Вам источник питания, который гарантированно будет совместим с выбранным Вами датчиком.
Неправильный выбор источника питания чреват выходом из строя датчика (это негарантийный случай).

Рис.1
К выходу сенсорного выключателя подключается светильник, а его вход подключается к сети 220В~ 50Гц. При первом касании к поверхности зеркала в зоне со снятой амальгамой светильник включается, при следующем касании светильник гаснет.
Установка датчика на зеркало
Для установки датчика сначала необходимо снять амальгаму с задней поверхности зеркала на месте установки сенсора, придерживаясь размеров (см. рис.1). Варианты исполнения снятой амальгамы можно увидеть на рис.5.

Рис.2
Затем нужно установить датчик. На задней поверхности зеркала рисуются горизонтальная и вертикальная линии, проходящие через центр контактной площадки (участка зеркального полотна со снятой амальгамой, к которому будет непосредственно прилегать контактная площадка выключателя) - рис.3. Сенсорный выключатель прикладывается центром рабочей поверхности по нарисованным линиям (рис.4), и крепится клеем для стекол или на двойной скотч 3М.

Рис.3 Рис.4
Варианты исполнения снятой амальгамы:

Рис.5






